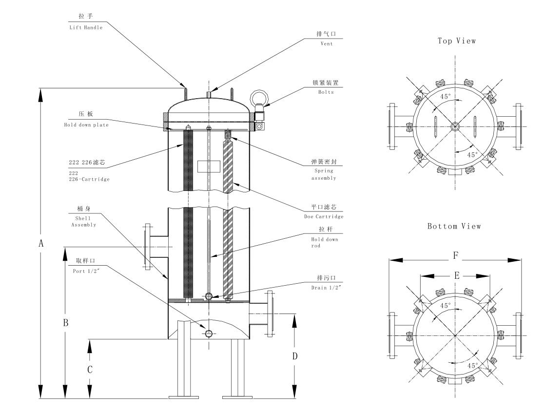
适用滤芯:双开口两头平滤芯及222、226插入式滤芯
滤芯尺寸:10”、20” 、30” 、40”
接管法兰: GB、ANSI、DIN、JIS法兰
材料:SS304 、SS316L
密封圈: EPDM、silice、nitrile
表面处理:亚光(喷砂、喷漆、酸洗)
亮光(机械抛光、电解抛光)

选型对照表
型号 | 滤芯数量 | 滤筒直径 | 设计压力 | 参考流量 | 接口 | A | B | C | D |
(Cartridge) | (Diameter) | (MPa) | (M3) | (Part) | |||||
10CF3 | 10 | φ300 | 1.0 | 15 | DN50 | 1200 | 480 | 180 | 460 |
10CF4 | 10 | φ300 | 1.0 | 20 | DN50 | 1500 | 480 | 180 | 460 |
15CF3 | 15 | φ350 | 1.0 | 22.5 | DN65 | 1200 | 480 | 180 | 510 |
15CF4 | 15 | φ350 | 1.0 | 30 | DN65 | 1500 | 480 | 180 | 510 |
20CF3 | 20 | φ400 | 1.0 | 30 | DN80 | 1200 | 480 | 180 | 560 |
20CF4 | 20 | φ400 | 1.0 | 40 | DN80 | 1500 | 480 | 180 | 560 |
以上数据仅供参考!